TO-46 HDR & CAP
Application
- Optical Device for Communication (VCSEL, ROSA, Transceiver)
- Optical Sensors
- The Other Sensors
Products List of TO-46 HDR & CAP
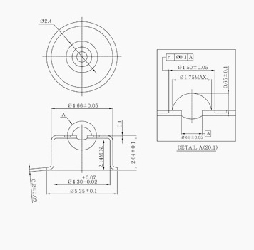
(unit : mm)
| Description | Outside Dia. | Body Dia. | Material of Parts | Plating | ||
|---|---|---|---|---|---|---|
| Eyelet(Base) | Lead | Glass Tablet | ||||
| TO-46/1P2L | 5.4 | 4.2 | Kovar | Kovar | Hard Glass | Electrolytic Ni+Gold, Electroless Ni+Gold, Electroless Ni |
| TO-46/2P3L | ||||||
| TO-46/3P4L | ||||||
| TO-46/4P5L | ||||||
| TO-46/5P6L | ||||||
| Description | Outside Dia. | Inside Dia. | Eyelet(Base) | Lens | Plating |
|---|---|---|---|---|---|
| CAP(Short) | 5.35 | 4.3 | Kovar | Hard Glass | Electroless Ni |
| CAP(Long) |